风管/浸入式温度传感器 22DT-14...

可用于风管内气体 温度的测量。选配不锈钢或是黄铜材质的套 管后可用于测量水管内水温。防护等级: NEMA 4X / IP65
规格说明
电压 交流/直流 DC 24 V
电气连接 接线端子
测量值 温度
输出信号 4...20 mA
输出电流 [Range] 1x 4...20 mA
最大阻抗 500 Ω
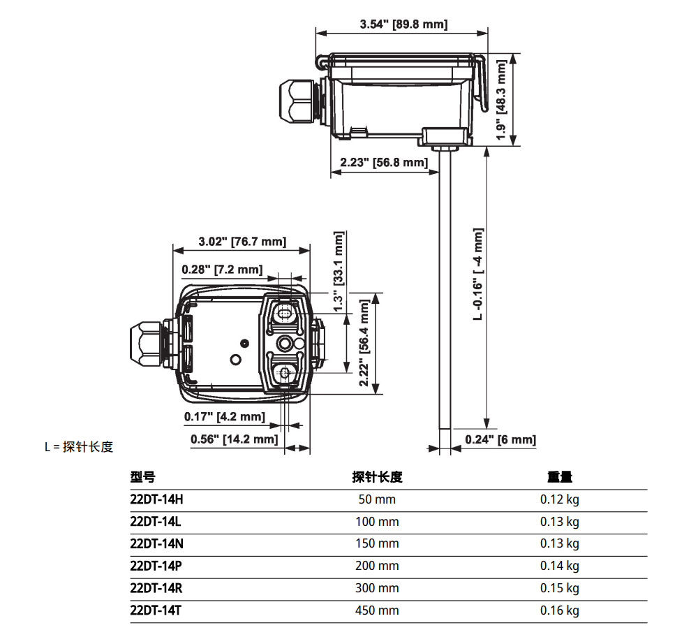
探针长度 200 mm
型号概述

技术参数

接线图

尺寸图


可用于风管内气体 温度的测量。选配不锈钢或是黄铜材质的套 管后可用于测量水管内水温。防护等级: NEMA 4X / IP65
电压 交流/直流 DC 24 V
电气连接 接线端子
测量值 温度
输出信号 4...20 mA
输出电流 [Range] 1x 4...20 mA
最大阻抗 500 Ω
探针长度 200 mm



