56型树脂蝶阀是日本ASAHI旭牌生产的PP和PVDF树脂手动蝶阀,该蝶阀重量轻,动作灵活,泄漏率低,可方便的将手动方式更换为自动方式,只需将顶部的齿轮盒拆卸下来,根据需要安装执行器即可,另外可选配长杆式和锁链式。
ASAHI旭牌 56型树脂蝶阀参数介绍:
适用介质:水,双氧水,海水,酸碱溶液等
阀体材质:PP、PVDF
公称通径:DN400mm
工作温度:PP材质:-20~80℃
PVDF材质:-20~120℃
最大工作压力:0.6MPa
ASAHI旭牌56型树脂蝶阀产品图:
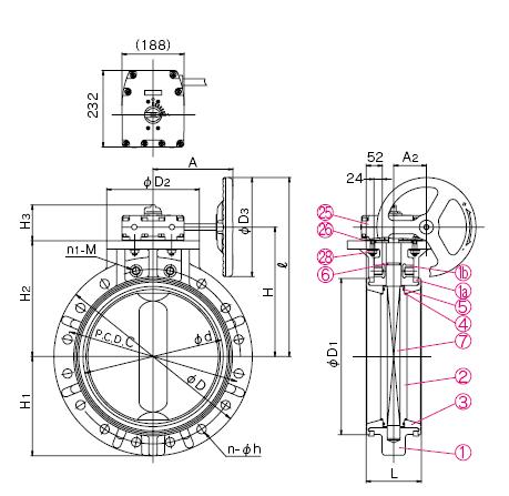
ASAHI旭牌56型树脂蝶阀尺寸规格图:


客服1