BELIMO 角行程执行器 GR24A-5
瑞士BELIMO搏力谋角行程执行器, GR24A-5,用于球阀和蝶阀
执行器开关型or三态型控制,三态型仅适用于球阀,不允许使用蝶阀。做工精细工作稳定,免维护安装方便,安全可靠经久耐用,外形小巧。
技术参数:
电压 交流/直流:AC/DC 24 V
功耗(运行):4 W
功耗(保持):2 W
线缆尺寸大小的功耗:6 VA
连接电源控制:电缆 1 m, 3 x 0.75 mm²
扭矩:40 Nm
控制类型:开关型
手动操作:按下手动操作钮,执行器齿轮机构解锁
电机运行时间:150 s / 90°
防护等级:IP54
NEMA 防护等级:NEMA 2
外壳类型:UL Enclosure Type 2
环境温度:-30...50°C [-22...122°F]

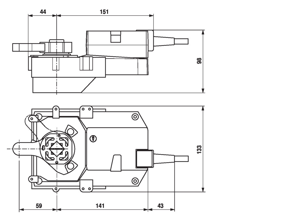
尺寸图:



客服1